> Schalter -Widerstände-RGC

Datenblatt

Zementierte Widerstände
RGC

 

Model Power Rating
(W)
Resistance Range
(Ohm)
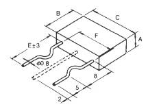
Dimensions (mm) Element
count
      A B E F Single
RGC2 2 0,1-1 5 14 13 9 Single
RGC3 3 0,1-1 5 13 14 13 9 Single
RGC5 5 0,1-1 5 17 14 13 9 Single
RGC22 2+2 0,1-1 5 9 26 13 18 Twin
RGC33 3+3 0,1-1 5 13 26 13 18 Twin
RGC55 5+5 0,1-1 5 17 26 13 18 Twin
RGC771 7+7 0,1-0,39 5 20 26 13 18 Twin

 


© 2000 by MECHCOMP Elektronische Bauelemente,
 Buchenlaenderstrasse 45, D-70569 Stuttgart
Tel. +49 7031 7970 - 0, Fax +49 7031 7970 - 70, eMail: schmidt@mechcomp.de
We only sell on a business to business basis / Wir verkaufen nur an gewerbliche Kunden

These Pages are a catalog and subject to change  /  Diese Seiten sind ein unverbindlicher Katalog